Zhejiang Sehnaider Electric Co., Ltd.
Zhejiang Sehnaider Electric Co., Ltd.
Tuotteet
LMZJ1-0.5-80 Virtamuuntajat
  • LMZJ1-0.5-80 VirtamuuntajatLMZJ1-0.5-80 Virtamuuntajat

LMZJ1-0.5-80 Virtamuuntajat

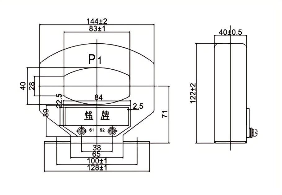
LMZJ1-0.5-80 Virtamuuntajat ovat tarkkuussuunniteltuja tarkkoihin mittaus- ja suojaussovelluksiin sähköjärjestelmissä. Nimellisvirtaalueella 0,5-80A, nämä muuntajat toimittavat luotettavan ja tarkan suorituskyvyn monissa teollisuusympäristöissä.

LMZJ1-0.5-80 Virtamuuntajat tunnetaan suuresta tarkkuudestaan, alhaisesta vaihekulmavirheestä ja erinomaisesta lineaarisuudesta, joka varmistaa virrantasojen tarkan mittauksen. Nämä nykyiset muuntajat on suunniteltu kompakteiksi ja helppo asentaa, joten ne sopivat laajaan valikoimaan sähköjärjestelmän kokoonpanoja. LMZJ1-0.5-80 -muutokset ovat rakennettu korkealaatuisilla materiaaleilla kestäviä ja tarjoavat pitkäaikaisen stabiilisuuden jatkuvaa toimintaa varten. Luottakaa LMZJ1-0.5-80 Virtamuuntajat sähköjärjestelmien tarkan virran mittaamiseksi ja luotettava suojaus.


Eritelmä

Nimellisjännite 500 V
Nimellistaajuus 50Hz
Primaarivirta 10a, 12,5a, 15a, 20a, 25a .., 6000a
Toissijainen virta 5a; 1a
Toissijainen kuormitusvoima
tekijä
0,8 (viive)
Nimellistuotto 2,5Va, 5Va, 10Va, 20Va
Tarkkuus 0,2; 0,2 s; 0,5; 0,5 s
Eristysvastus primaarikäämityksen eristysvastus sekundaariseen käämitykseen
ja maan päälle ≥20MΩ
Virrantaajuus
kestää jännitettä
Kestävä ensisijaisen käämin voimassa oleva arvo toissijaiseen käämitykseen
ja maan päälle ≥ 3 kV

Hot Tags: LMZJ1-0.5-80 Virtamuuntajat
Lähetä kysely
Yhteystiedot
Jos sinulla on kysyttävää tarjouksesta tai yhteistyöstä, lähetä meille sähköpostia osoitteeseen River@dahuelec.com tai käytä seuraavaa tiedustelulomaketta. Myyntiedustajamme ottaa sinuun yhteyttä 24 tunnin sisällä. Kiitos kiinnostuksestasi tuotteihimme.
X
Käytämme evästeitä tarjotaksemme sinulle paremman selauskokemuksen, analysoidaksemme sivuston liikennettä ja mukauttaaksemme sisältöä. Käyttämällä tätä sivustoa hyväksyt evästeiden käytön. Tietosuojakäytäntö
Hylätä Hyväksyä