Zhejiang Sehnaider Electric Co., Ltd.
Zhejiang Sehnaider Electric Co., Ltd.
Tuotteet
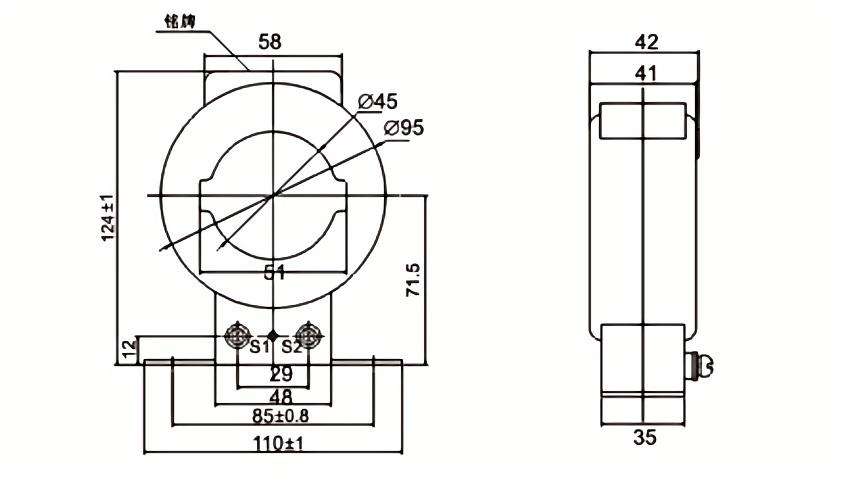
LMZJ1-0.5-50 Virtamuuntajat
  • LMZJ1-0.5-50 VirtamuuntajatLMZJ1-0.5-50 Virtamuuntajat

LMZJ1-0.5-50 Virtamuuntajat

LMZJ1-0.5-50 Virtamuuntajat on suunniteltu tarkkaan mittaamiseen ja suojaamiseen sähköjärjestelmissä. Nimellisvirta on 0,5-50A, nämä muuntajat tarjoavat luotettavan suorituskyvyn monissa sovelluksissa.

LMZJ1-0.5-50 -sarjassa on suuri tarkkuus, pieni vaihekulmavirhe ja erinomainen lineaarisuus, mikä varmistaa virrantasojen tarkan mittauksen. Nämä nykyiset muuntajat ovat kooltaan kompakteja, joten niiden asennus ja soveltuvuus on helppo käyttää erilaisissa teollisuusympäristöissä. LMZJ1-0,5-50-50-muuntajat tarjoavat pitkäaikaisen vakauden ja kestävyyden vankalla rakennus- ja korkealaatuisilla materiaaleilla. Luottakaa LMZJ1-0.5-50 Virtamuuntajat tarkkaan virran mittaamiseen ja luotettavaan suojaukseen sähköjärjestelmissä.


Eritelmä

Nimellisjännite 500 V
Nimellistaajuus 50Hz
Primaarivirta 10a, 12,5a, 15a, 20a, 25a .., 6000a
Toissijainen virta 5a; 1a
Toissijainen kuormitusvoima
tekijä
0,8 (viive)
Nimellistuotto 2,5Va, 5Va, 10Va, 20Va
Tarkkuus 0,2; 0,2 s; 0,5; 0,5 s
Eristysvastus primaarikäämityksen eristysvastus sekundaariseen käämitykseen
ja maan päälle ≥20MΩ
Virrantaajuus
kestää jännitettä
Kestävä ensisijaisen käämin voimassa oleva arvo toissijaiseen käämitykseen
ja maan päälle ≥ 3 kV



Hot Tags: LMZJ1-0.5-50 Virtamuuntajat
Lähetä kysely
Yhteystiedot
Jos sinulla on kysyttävää tarjouksesta tai yhteistyöstä, lähetä meille sähköpostia osoitteeseen River@dahuelec.com tai käytä seuraavaa tiedustelulomaketta. Myyntiedustajamme ottaa sinuun yhteyttä 24 tunnin sisällä. Kiitos kiinnostuksestasi tuotteihimme.
X
Käytämme evästeitä tarjotaksemme sinulle paremman selauskokemuksen, analysoidaksemme sivuston liikennettä ja mukauttaaksemme sisältöä. Käyttämällä tätä sivustoa hyväksyt evästeiden käytön. Tietosuojakäytäntö
Hylätä Hyväksyä