Korkea tarkkuusluokka 0.5 - tarjoaa tarkan virran mittauksen mittaus- ja valvontasovelluksille.
Laaja mittausalue - tukee useita virransuhteita erilaisten kuormitusolosuhteiden mukauttamiseksi.
Kompakti ja kevyt muotoilu - helppo asentaa tiukkoihin tiloihin vaarantamatta suorituskykyä.
Erinomainen lämpöstabiilisuus - varmistaa vakaan toiminnan jopa vaihtelevissa lämpötiloissa.
Vahva eristys ja turvallisuus - noudattaa teollisuuden turvallisuusstandardeja, jotka tarjoavat luotettavaa suojaa sähkövirheiltä.
Monipuoliset sovellukset - ihanteellinen käytettäväksi energianjakelupaneeleissa, teollisuusautomaatioissa ja uusiutuvien energialähteiden järjestelmissä.
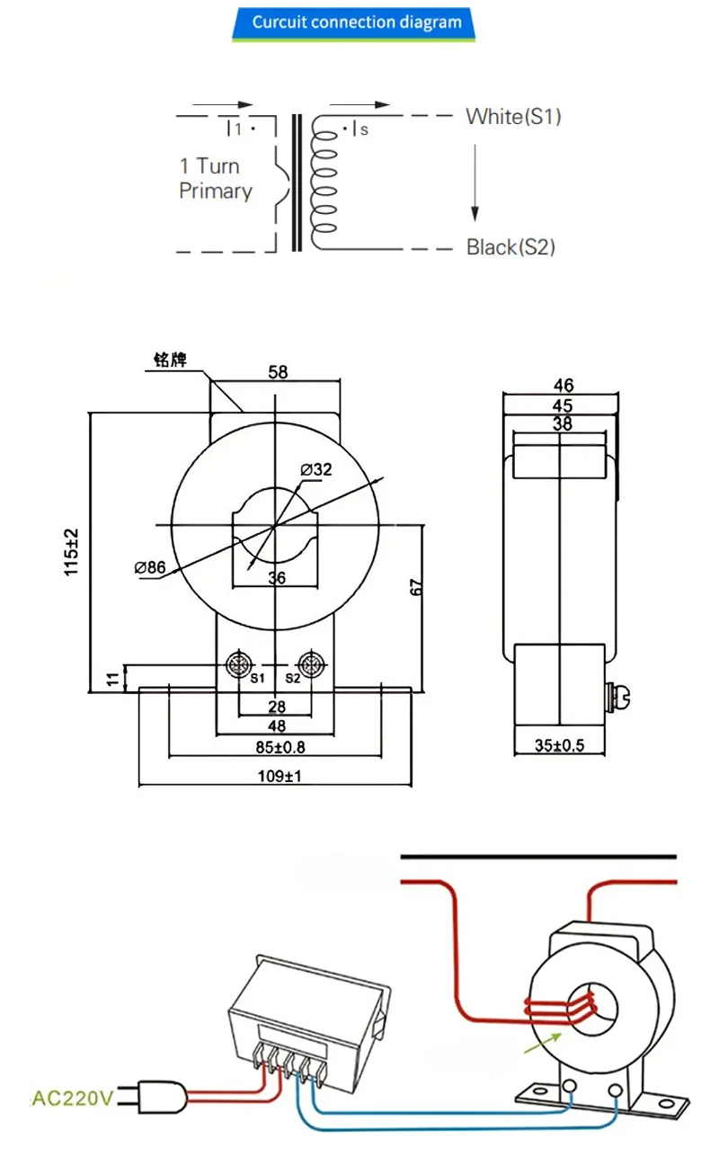
Arvioitu ensisijainen virta: Mukautettava (esim. 5a ~ 2000a)
Nimellistoverkkovirta: 5A tai 1A (vakio)
Tarkkuusluokka: 0,5
Taajuus: 50Hz/60Hz
Eristystaso: jopa 3 kV
Käyttölämpötila: -25 ° C - +70 ° C
Virranmittaus ja energian seuranta
Suojausreleet ja katkaisijat
Teollisuus- ja kaupalliset sähköjärjestelmät
Aurinko- ja tuulivoima -asennukset

Osoite
Xiangyangin teollisuusvyöhyke, Yueqing, Zhejiang, Kiina
Puh
Sähköposti