Zhejiang Sehnaider Electric Co., Ltd.
Zhejiang Sehnaider Electric Co., Ltd.
Tuotteet
BH-0.66-60 Virtamuuntajat
  • BH-0.66-60 VirtamuuntajatBH-0.66-60 Virtamuuntajat

BH-0.66-60 Virtamuuntajat

BH -0.66-60 Virtamuuntajat omaksuvat PC -liekin - hidastin materiaalin, ja magneettinen - johtava materiaali on hehkutettu toroidinen ydin tuotteen tarkkuuden varmistamiseksi tasoilla 0,2 ja 0,5. Erittäin korkeat tarkkuustasot, kuten 0,2 s ja 0,5, vain suprajohtavat magneetit voivat täyttää tällaiset tarkkuusvaatimukset.

BH-0,66-60 Virtamuuntajat ovat sovellettavissa sähköjärjestelmiin, joiden nimellistaajuus on 50 Hz ja nimellisjännite 0,66 kV, 0,69 kV, 0,5 kV ja sen alapuolella sähköenergian mittaamiseen, virran mittaamiseen ja relesuojaan.


Tämä DAHU: n nykyinen muuntaja on tarkoitettu sisäkäyttöön, joka on asennettu jakelukaappeihin ja laatikoihin. Siinä on uusi magneettisen piirin suunnittelu, edistyneet kompensointimenetelmät, hienojen prosessointitekniikat, turvallinen ja luotettava suorituskyky sekä pieni ja kaunis ulkonäkö.


Ulkokuori on valmistettu korkean lujuuden liekistä - hidastuvan tietokoneen, jossa on täysin suljettu rakenne ja liekki - hidastin V1: n. Sisäinen ydin on valmistettu korkealaatuisista viljasuuntautuneista piiteräksistä. Langan halkaisija valitaan tiukasti taloudellisen virrantiheyden mukaan, jotta lämpötilan nousu varmistaa. Edistyneillä ja luotettavilla testauslaitteilla se varmistaa laatustandardien noudattamisen.


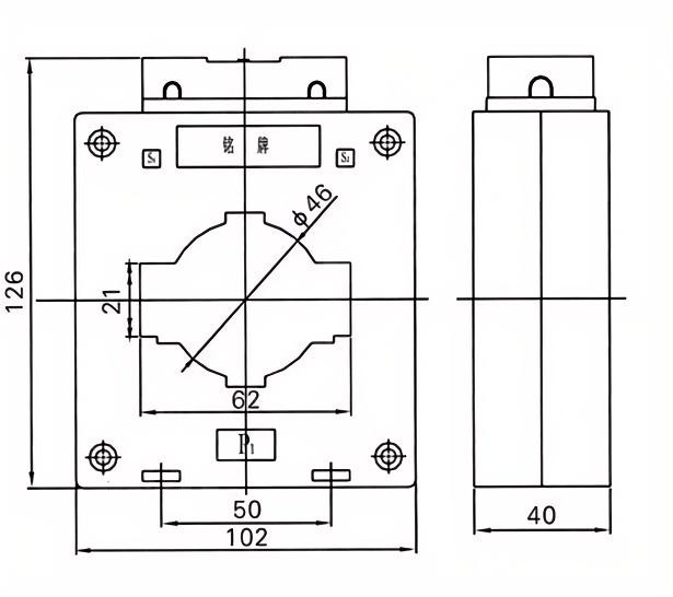
Siinä on neliö- ja pyöreät reikätyypit, jotka soveltuvat yksijuuri- tai monenjuurekaapelin tunkeutumiseen tai yhden juurten väylän kulkujen tunkeutumiseen. Siinä on täydellinen tuotesarja, laaja valikoima eritelmiä ja laaja sovellusalue.


Sovellukset

Energian seuranta ja mittaus

Piirinsuojaus ja releen koordinointi

Teollisuusautomaatio ja älykkäät ruudukkojärjestelmät

Tekniset eritelmät

Nimellisjännite: 0,66 kV

Taajuus: 50/60Hz

Tarkkuusluokka: 0,5, 1,0 (muokattavissa)

Eristystaso: 3 kV/min


Tärkeimmät tekniset parametrit

Ensisijainen
Virta (a)
Tarkkuus
luokat
yhdistelmä
Nimellistodistus (VA) 1s lämpövirta (KA) Nimellisdynamiikkavirta (KA)
0,2 (s) 0.2 0.5 10P10
5-40 0,2/10p10
0,5/10p10
/ 10 10 15 90lin 220lin
5-40 100lin 250lin
5-40 20 50
5-40
5-40 36 90
10
5-40 45 100
5-40 56 100
5-40
5-40 80 110
5-40 100 110


Hot Tags: BH-0.66-60 Virtamuuntajat
Lähetä kysely
Yhteystiedot
Jos sinulla on kysyttävää tarjouksesta tai yhteistyöstä, lähetä meille sähköpostia osoitteeseen River@dahuelec.com tai käytä seuraavaa tiedustelulomaketta. Myyntiedustajamme ottaa sinuun yhteyttä 24 tunnin sisällä. Kiitos kiinnostuksestasi tuotteihimme.
X
Käytämme evästeitä tarjotaksemme sinulle paremman selauskokemuksen, analysoidaksemme sivuston liikennettä ja mukauttaaksemme sisältöä. Käyttämällä tätä sivustoa hyväksyt evästeiden käytön. Tietosuojakäytäntö
Hylätä Hyväksyä