Zhejiang Sehnaider Electric Co., Ltd.
Zhejiang Sehnaider Electric Co., Ltd.
Tuotteet
BH-0.66-50 Virtamuuntajat
  • BH-0.66-50 VirtamuuntajatBH-0.66-50 Virtamuuntajat

BH-0.66-50 Virtamuuntajat

BH-0.66-50 Virtamuuntajat ovat tarkkuusvälineitä, jotka on suunniteltu sähkövirtojen tarkkaan mittaamiseen ja seurantaan eri teollisissa sovelluksissa. Nimellisvirta 50A ja muunnossuhde 0,66, nämä muuntajat tarjoavat luotettavia ja tarkkoja virran mittausominaisuuksia.

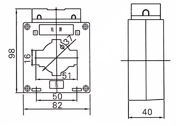
Sisäeloorien epoksihartsivirtamuuntaja tai sisätilojen muovikotelon virran muuntaja

• Yksivaiheinen, kaksivaihe tai kolme vaihetta.

• Nimellisjännite: 0,66 kV

• Mittausluokka CT: lle: 0,2 s, 0,2,0,5, 0,5 s

• Vakio: IEC61869-2

• Kirjoita nimi: BH-0.66-50

Tätä sisäkuivatyyppistä virran muuntajaa käytetään 0,66 kV: ssä, 0,75 kV. sähköjärjestelmä mittausta ja suojausta varten.

Sitä on käytetty kaapin kytkentälaitteissa tai lahti-asennettuissa kytkentäasemissa.

BH-0.66-50 Virtamuuntajat on valmistettu korkean lämpötilan sisäilmoilun epoksihartsista, amorfisesta seos ytimestä mittauksen ja korkean laadun suhteen suojaamiseksi, ensisijainen ja toissijainen käyttö puhdasta elektrolyyttistä kuparia.


Sovellukset:

Virranjakelujärjestelmät

Energianhallintajärjestelmät

Teollisuuslaitteiden seuranta

Uusiutuvan energian järjestelmät


1. Premium -materiaalit

Korkealaatuiset ytimet: tarkkuus-laminoidut piiteräkset tai nanokiteiset ytimet minimaalisten häviöiden ja korkean lineaarisuuden saavuttamiseksi.  

Vahva eristys: Epoksihartsimallit varmistavat pitkäaikaisen vakauden ankarissa ympäristöissä.  


2. Ylivoimainen suorituskyky

Tarkkuus: Luokka 0,2/0,5 mittaus, 5p/10p suojausta varten, IEC 61869, 60044, IEEE- ja ANSI -standardien mukainen.  

Laaja alue: Tukee 0,6KV-36KV-järjestelmiä, mukautetuilla suhteilla/taajuudella (50/60Hz).  

Matala lämmön nousu: Optimoitu muotoilu vähentää ylikuumenemista, pidentää käyttöikää.  

EMC -immuniteetti: Suojat luotettavien signaalien sähkömagneettisten häiriöiden suhteen.  


3. Palvelu ja tuki

Mukautetut ratkaisut: Räätälöidyt suhteet, koot tai liittimet (esim. DIN -kisko, IEC -päätteet).  

Globaalit sertifikaatit: IEC, CE, ISO ja paikalliset ruudukon hyväksynnät.  

Elinikäinen tekninen tuki: 24/7 tuki, asennusohjeet ja varaosien toimitus.  

Nopea toimitus: vakiotuotteet 2–4 viikossa; Nopeutetut vaihtoehdot kiireellisiin tarpeisiin.  


Tärkeimmät tekniset parametrit

Ensisijainen
Virta (a)
Tarkkuus
luokat
yhdistelmä
Nimellistodistus (VA) 1s lämpövirta (KA) Nimellisdynamiikkavirta (KA)
0,2 (s) 0.2 0.5 10P10
5-40 0,2/10p10
0,5/10p10
/ 10 10 15 90lin 220lin
5-40 100lin 250lin
5-40 20 50
5-40
5-40 36 90
10
5-40 45 100
5-40 56 100
5-40
5-40 80 110
5-40 100 110




Hot Tags: BH-0.66-50 Virtamuuntajat
Lähetä kysely
Yhteystiedot
Jos sinulla on kysyttävää tarjouksesta tai yhteistyöstä, lähetä meille sähköpostia osoitteeseen River@dahuelec.com tai käytä seuraavaa tiedustelulomaketta. Myyntiedustajamme ottaa sinuun yhteyttä 24 tunnin sisällä. Kiitos kiinnostuksestasi tuotteihimme.
X
Käytämme evästeitä tarjotaksemme sinulle paremman selauskokemuksen, analysoidaksemme sivuston liikennettä ja mukauttaaksemme sisältöä. Käyttämällä tätä sivustoa hyväksyt evästeiden käytön. Tietosuojakäytäntö
Hylätä Hyväksyä