Zhejiang Sehnaider Electric Co., Ltd.
Zhejiang Sehnaider Electric Co., Ltd.
Tuotteet
BH-0.66-20 Virtamuuntajat
  • BH-0.66-20 VirtamuuntajatBH-0.66-20 Virtamuuntajat

BH-0.66-20 Virtamuuntajat

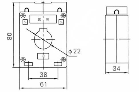
BH-0.66-20 Virtamuuntajat ovat korkealaatuisia virran muuntajia, jotka on suunniteltu sähkövirtojen tarkkaan mittaamiseen ja seurantaan eri teollisissa sovelluksissa. Nämä muuntajat tarjoavat luotettavan suorituskyvyn ja tarkan lukeman nimellisvirtalla 0,66A ja taajuus 50/60 Hz.

BH-0.66-20 Nykyisissä muuntajissa on kompakti ja vankka muotoilu, joten ne sopivat asennukseen tiukkoihin tiloihin ja ankariin ympäristöihin. Ne on varustettu korkealaatuisilla materiaaleilla ja komponenteilla pitkän aikavälin vakauden ja kestävyyden varmistamiseksi.


Näitä nykyisiä muuntajia on helppo asentaa ja ylläpitää, joten ne ovat ihanteellisia monille sovelluksille, mukaan lukien virranjakelu, energianhallinta ja teollisuusautomaatio. He noudattavat kansainvälisiä turvallisuus- ja suorituskykystandardeja tarjoamalla käyttäjille mielenrauhan ja luottamuksen toimintaansa.


Kaiken kaikkiaan BH-0.66-20 Virtamuuntajat ovat täydellinen valinta tarkkaan virran mittaamiseen ja seurantaan teollisuusasetuksissa tarjoamalla luotettavuutta, tarkkuutta ja kestävyyttä erilaisille sähköjärjestelmille.


Tärkeimmät tekniset parametrit

Ensisijainen
Virta (a)
Tarkkuus
luokat
yhdistelmä
Nimellistodistus (VA) On lämpövirta (KA) Nimellisdynamiikkavirta (KA)
0,2 (s) 0.2 0.5 10P10
5-40 0,2/10p10
0,5/10p10
/ 10 10 15 90lin 220lin
5-40 100lin 250lin
5-40 20 50
5-40
5-40 36 90
10
5-40 45 100
5-40 56 100
5-40
5-40 80 110
5-40 100 110



Hot Tags: BH-0.66-20 Virtamuuntajat
Lähetä kysely
Yhteystiedot
Jos sinulla on kysyttävää tarjouksesta tai yhteistyöstä, lähetä meille sähköpostia osoitteeseen River@dahuelec.com tai käytä seuraavaa tiedustelulomaketta. Myyntiedustajamme ottaa sinuun yhteyttä 24 tunnin sisällä. Kiitos kiinnostuksestasi tuotteihimme.
X
Käytämme evästeitä tarjotaksemme sinulle paremman selauskokemuksen, analysoidaksemme sivuston liikennettä ja mukauttaaksemme sisältöä. Käyttämällä tätä sivustoa hyväksyt evästeiden käytön. Tietosuojakäytäntö
Hylätä Hyväksyä